DK Lok

RFN-12-S-SP


Customer Support

Real people that care. Give us a call!

310-833-3353

Delivery and Shipping

Fast shipping & delivery.

Local Business

We're a local business, located in San Pedro, CA

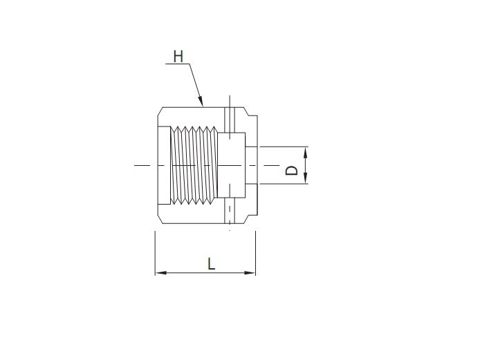
  • Item #
    RFN-12-S-SP
  • Category
    DK-LOK Clean Fittings
  • Sub-Category
    Metal Gasket Face-Seal Fittings
  • Sub-Series
    RFN Female Nut
  • Material
    Stainless Steel 316
  • L
    28.4 mm or 1.120 in
  • Gasket Material
    Stainless Steel 316L
  • Body Size
    19.1 mm or 3/4 in
  • H - Hex
    38.1 mm or 1-1/2 in
  • D
    22.6 mm or 0.890 in
DK Lok

RFN-12-S-SP

$0.00
View product