DK Lok

KMCS-20T-20U-C


Customer Support

Real people that care. Give us a call!

310-833-3353

Delivery and Shipping

Fast shipping & delivery.

Local Business

We're a local business, located in San Pedro, CA

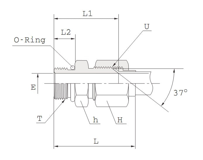
  • Item #
    KMCS-20T-20U-C
  • Category
    K Series JIC Tube Fittings, SAE J514 37° Flared
  • Series
    Tube to Straight Thread
  • Sub-Series
    KMCS-U O-Seal UNF Male Connector
  • Material
    Carbon Steel
  • D - Tube O.D.
    1-1/4 in or 32.0 mm
  • T UNF
    1 5/8-12
  • U UNF
    1 5/8-12
  • H2 Hex
    50.8 mm
  • H - Hex
    47.6 mm
DK Lok

KMCS-20T-20U-C

$0.00
View product