DK Lok

KMCS-10T-10U-C


Customer Support

Real people that care. Give us a call!

310-833-3353

Delivery and Shipping

Fast shipping & delivery.

Local Business

We're a local business, located in San Pedro, CA

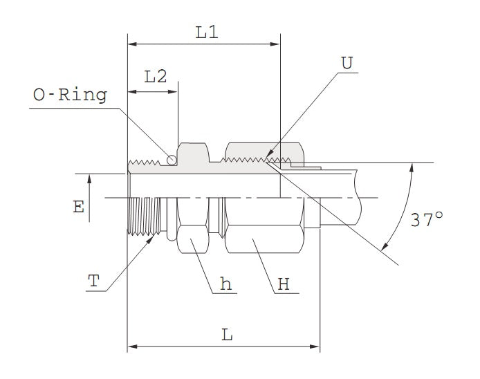
  • Item #
    KMCS-10T-10U-C
  • Category
    K Series JIC Tube Fittings, SAE J514 37° Flared
  • Series
    Tube to Straight Thread
  • Sub-Series
    KMCS-U O-Seal UNF Male Connector
  • Material
    Carbon Steel
  • D - Tube O.D.
    5/8 in or 16.0 mm
  • T UNF
    7/8-14
  • U UNF
    7/8-14
  • H2 Hex
    25.4 mm
  • H - Hex
    25.4 mm
DK Lok

KMCS-10T-10U-C

$0.00
View product