DK Lok

KMC-6T-4GO-S


Customer Support

Real people that care. Give us a call!

310-833-3353

Delivery and Shipping

Fast shipping & delivery.

Local Business

We're a local business, located in San Pedro, CA

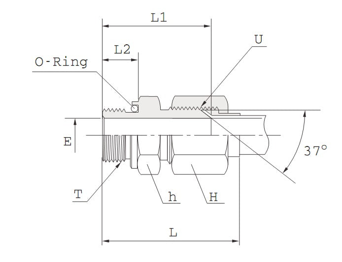
  • Item #
    KMC-6T-4GO-S
  • Category
    K Series JIC Tube Fittings, SAE J514 37° Flared
  • Series
    Tube to Straight Thread
  • Sub-Series
    KMC-GO O-Seal G Male Connector
  • Material
    Stainless Steel 316
  • D - Tube O.D.
    3/8 in or 10.0 mm
  • T UNF
    1/4
  • U UNF
    9/16-18
  • H2 Hex
    17.4 mm
  • H - Hex
    17.4 mm
DK Lok

KMC-6T-4GO-S

$0.00
View product