DK Lok

KMC-2T-2GO-S


Customer Support

Real people that care. Give us a call!

310-833-3353

Delivery and Shipping

Fast shipping & delivery.

Local Business

We're a local business, located in San Pedro, CA

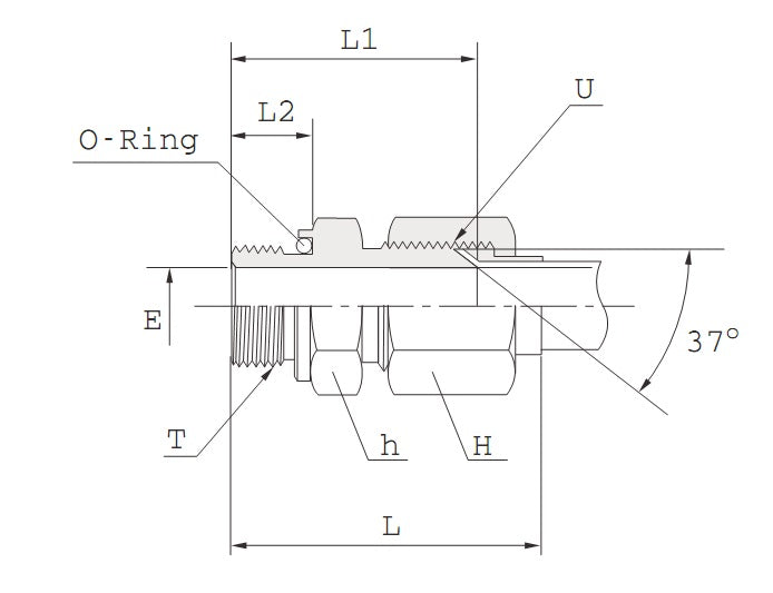
  • Item #
    KMC-2T-2GO-S
  • Category
    K Series JIC Tube Fittings, SAE J514 37° Flared
  • Series
    Tube to Straight Thread
  • Sub-Series
    KMC-GO O-Seal G Male Connector
  • Material
    Stainless Steel 316
  • D - Tube O.D.
    1/8 in or 3.0 mm
  • T UNF
    1/8
  • U UNF
    5/16-24
  • H2 Hex
    9.5 mm
  • H - Hex
    11.1 mm
DK Lok

KMC-2T-2GO-S

$0.00
View product