DK Lok

KMC-16T-16GO-C


Customer Support

Real people that care. Give us a call!

310-833-3353

Delivery and Shipping

Fast shipping & delivery.

Local Business

We're a local business, located in San Pedro, CA

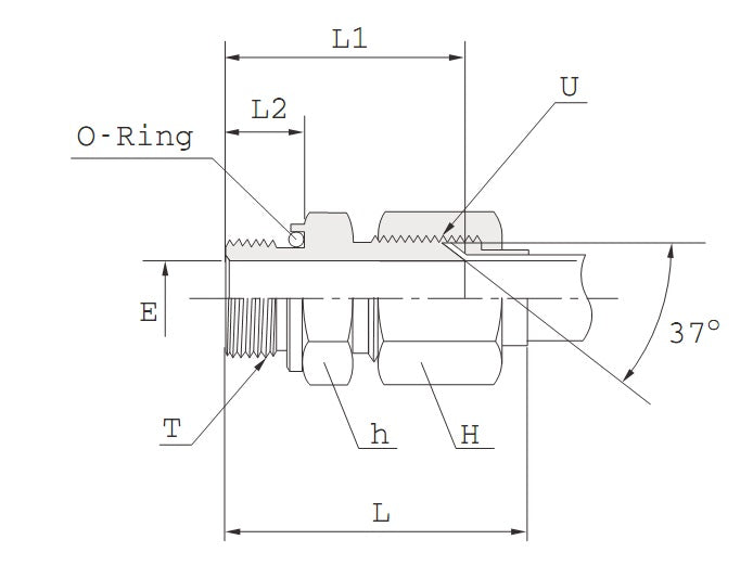
  • Item #
    KMC-16T-16GO-C
  • Category
    K Series JIC Tube Fittings, SAE J514 37° Flared
  • Series
    Tube to Straight Thread
  • Sub-Series
    KMC-GO O-Seal G Male Connector
  • Material
    Carbon Steel
  • D - Tube O.D.
    1 in or 25.0 mm
  • T UNF
    1
  • U UNF
    1 5/16-12
  • H2 Hex
    38.0 mm
  • H - Hex
    38.0 mm
DK Lok

KMC-16T-16GO-C

$0.00
View product