DK Lok

KTBF-3T-2N-S


Customer Support

Real people that care. Give us a call!

310-833-3353

Delivery and Shipping

Fast shipping & delivery.

Local Business

We're a local business, located in San Pedro, CA

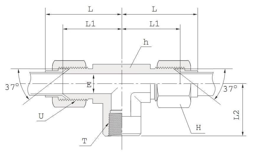
  • Item #
    KTBF-3T-2N-S
  • Category
    K Series JIC Tube Fittings, SAE J514 37° Flared
  • Series
    Tube to Female Pipe
  • Sub-Series
    KTBF Female Branch Tee
  • Material
    Stainless Steel 316
  • D - Tube O.D.
    3/16 in or 4.0 mm
  • T- NPT
    1/8
  • U UNF
    3/8-24
  • H2 Hex
    11.0 mm
  • H - Hex
    14.3 mm
DK Lok

KTBF-3T-2N-S

$0.00
View product