DK Lok

DUAZ-8-8-L825


Customer Support

Real people that care. Give us a call!

310-833-3353

Delivery and Shipping

Fast shipping & delivery.

Local Business

We're a local business, located in San Pedro, CA

  • Item #
    DUAZ-8-8-L825
  • Category
    Compression Tube Fittings
  • Sub-Category
    Tube to AN Tubes
  • Series
    DUA AN Union Tube Fittings
  • Sub-Series
    DUA-Z AN Union Ferrule Tube Fittings
  • Material
    Alloy 825
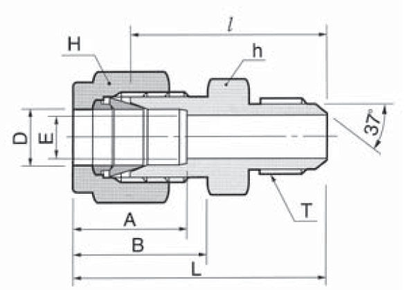
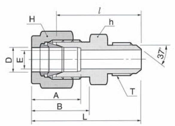
  • E - Min.
    9.9 mm
  • T - Thread Size
    3/4-16
  • D - Tube O.D.
    1/2 in or 12.7 mm
  • L
    46.0 mm
  • AN Tube Flare Size
    1/2 in or 12.7 mm
DK Lok

DUAZ-8-8-L825

$0.00
View product