DK Lok

DUAZ-6-6-HC


Customer Support

Real people that care. Give us a call!

310-833-3353

Delivery and Shipping

Fast shipping & delivery.

Local Business

We're a local business, located in San Pedro, CA

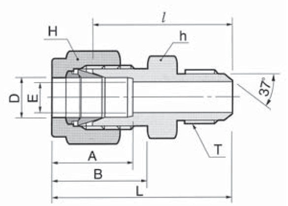
  • Item #
    DUAZ-6-6-HC
  • Category
    Compression Tube Fittings
  • Sub-Category
    Tube to AN Tubes
  • Series
    DUA AN Union Tube Fittings
  • Sub-Series
    DUA-Z AN Union Ferrule Tube Fittings
  • Material
    Hastelloy C276
  • E - Min.
    7.1 mm
  • T - Thread Size
    9/16-18
  • D - Tube O.D.
    3/8 in or 9.5 mm
  • L
    39.6 mm
  • AN Tube Flare Size
    3/8 in or 9.5 mm
DK Lok

DUAZ-6-6-HC

$0.00
View product