DK Lok

DUAZ-32-32-IN


Customer Support

Real people that care. Give us a call!

310-833-3353

Delivery and Shipping

Fast shipping & delivery.

Local Business

We're a local business, located in San Pedro, CA

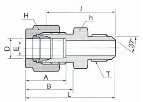
  • Item #
    DUAZ-32-32-IN
  • Category
    Compression Tube Fittings
  • Sub-Category
    Tube to AN Tubes
  • Series
    DUA AN Union Tube Fittings
  • Sub-Series
    DUA-Z AN Union Ferrule Tube Fittings
  • Material
    Alloy 600
  • E - Min.
    46.0 mm
  • T - Thread Size
    2 1/2-12
  • D - Tube O.D.
    2 in or 50.8 mm
  • L
    120.6 mm
  • AN Tube Flare Size
    2 in or 50.8 mm
DK Lok

DUAZ-32-32-IN

$0.00
View product