DK Lok

DUAZ-1-2-L625


Customer Support

Real people that care. Give us a call!

310-833-3353

Delivery and Shipping

Fast shipping & delivery.

Local Business

We're a local business, located in San Pedro, CA

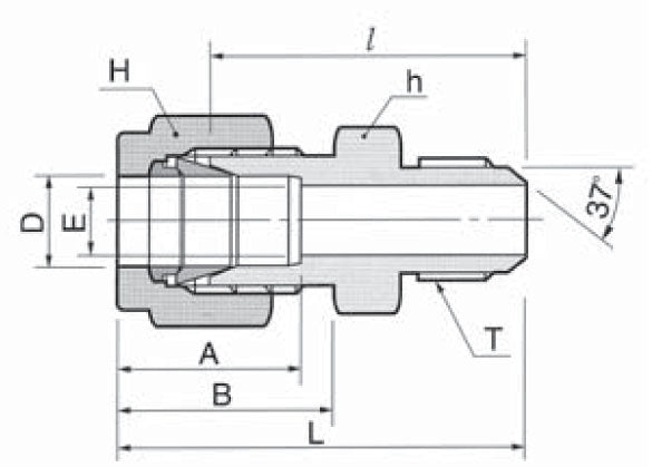
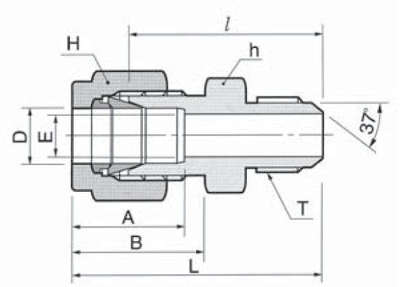
  • Item #
    DUAZ-1-2-L625
  • Category
    Compression Tube Fittings
  • Sub-Category
    Tube to AN Tubes
  • Series
    DUA AN Union Tube Fittings
  • Sub-Series
    DUA-Z AN Union Ferrule Tube Fittings
  • Material
    Alloy 625
  • E - Min.
    1.3 mm
  • T - Thread Size
    5/16-24
  • D - Tube O.D.
    1/16 in or 1.6 mm
  • L
    27.2 mm
  • AN Tube Flare Size
    1/8 in or 3.2 mm
DK Lok

DUAZ-1-2-L625

$0.00
View product