DK Lok

RSG-4A-L-CU


Customer Support

Real people that care. Give us a call!

310-833-3353

Delivery and Shipping

Fast shipping & delivery.

Local Business

We're a local business, located in San Pedro, CA

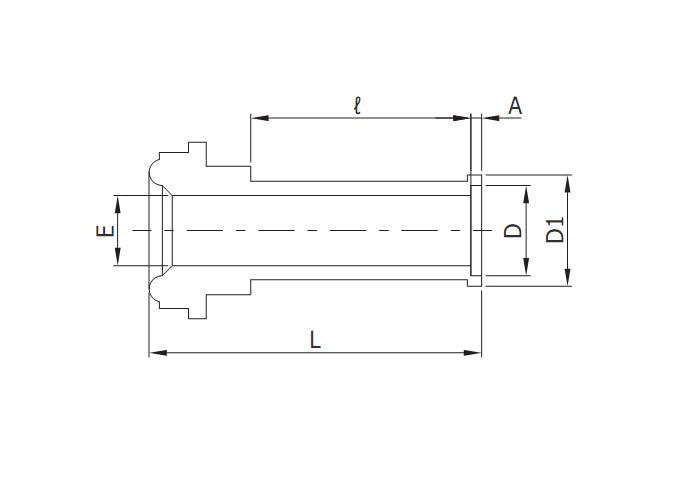
  • Item #
    RSG-4A-L-CU
  • Category
    DK-LOK Clean Fittings
  • Sub-Category
    Metal Gasket Face-Seal Fittings
  • Sub-Series
    RSG-A Auto Butt Weld Short Gland
  • Material
    Stainless Steel 316L
  • E - Min.
    4.6 mm or 0.180 in
  • D - Tube O.D.
    6.4 mm or or 1/4 in
  • L
    28.4 mm or 1.120 in
  • Gasket Material
    Copper
  • Wall Thickness
    0.9 mm or 0.035 in
  • Body Size
    6.4 mm or 1/4 in
DK Lok

RSG-4A-L-CU

$0.00
View product