DK Lok

RMN-16-L-CU


Customer Support

Real people that care. Give us a call!

310-833-3353

Delivery and Shipping

Fast shipping & delivery.

Local Business

We're a local business, located in San Pedro, CA

  • Item #
    RMN-16-L-CU
  • Category
    DK-LOK Clean Fittings
  • Sub-Category
    Metal Gasket Face-Seal Fittings
  • Sub-Series
    RMN Male Nut
  • Material
    Stainless Steel 316L
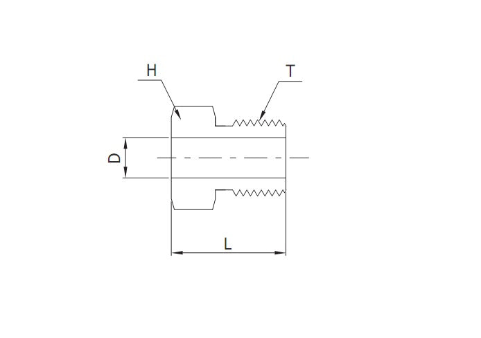
  • L
    30.2 mm or 1.190 in
  • Gasket Material
    Copper
  • Body Size
    25.4 mm or 1 in
  • H - Hex
    41.3 mm or 1 5/8 in
  • D
    30.5 mm or 1.200 in
DK Lok

RMN-16-L-CU

$0.00
View product