DK Lok

RLG-12-S-NL


Customer Support

Real people that care. Give us a call!

310-833-3353

Delivery and Shipping

Fast shipping & delivery.

Local Business

We're a local business, located in San Pedro, CA

  • Item #
    RLG-12-S-NL
  • Category
    DK-LOK Clean Fittings
  • Sub-Category
    Metal Gasket Face-Seal Fittings
  • Sub-Series
    RLG Long Gland
  • Material
    Stainless Steel 316
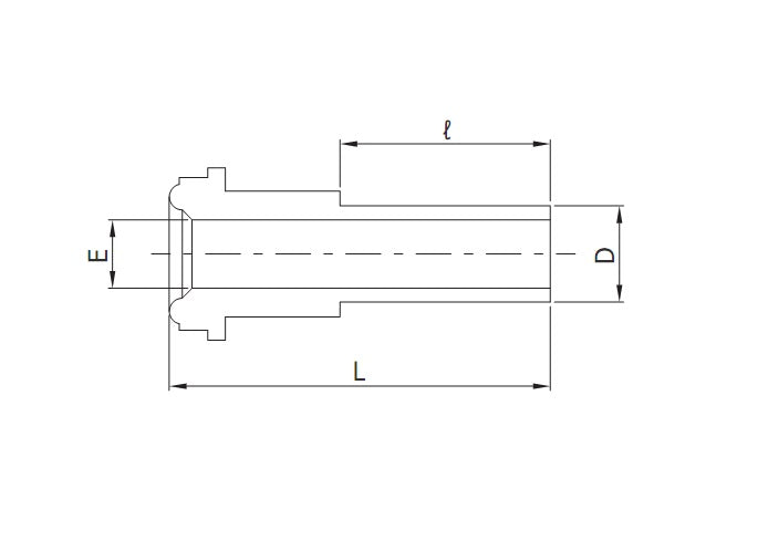
  • E - Min.
    16.5 mm or 0.650 in
  • D - Tube O.D.
    19.1 mm or 3/4 in
  • L
    51.6 mm or 2.030 in
  • Gasket Material
    Nickel
  • Wall Thickness
    1.2 mm or 0.049 in
  • Body Size
    19.1 mm or 3/4 in
DK Lok

RLG-12-S-NL

$0.00
View product