DK Lok

RGS-12S-L-SP


Customer Support

Real people that care. Give us a call!

310-833-3353

Delivery and Shipping

Fast shipping & delivery.

Local Business

We're a local business, located in San Pedro, CA

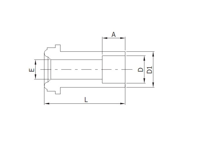
  • Item #
    RGS-12S-L-SP
  • Category
    DK-LOK Clean Fittings
  • Sub-Category
    Metal Gasket Face-Seal Fittings
  • Sub-Series
    RGS Socket Gland
  • Material
    Stainless Steel 316L
  • E - Min.
    15.7 mm or 0.620 in
  • D - Tube O.D.
    19.1 mm or 3/4 in
  • L
    50.8 mm or 2.000 in
  • Gasket Material
    Stainless Steel 316L
  • Body Size
    19.1 mm or 3/4 in
  • A
    11.2 mm or 0.440 in
DK Lok

RGS-12S-L-SP

$0.00
View product