DK Lok | SKU:
RWT-18MA-L
Couldn't load pickup availability
Customer Support
Customer Support
Real people that care. Give us a call!
310-833-3353
Delivery and Shipping
Delivery and Shipping
Fast shipping & delivery.
Local Business
Local Business
We're a local business, located in San Pedro, CA
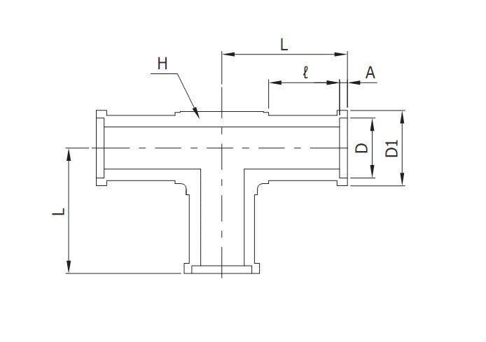
-
Item #
-
Category
-
Sub-Category
-
Sub-Series
-
Material
-
D - Tube O.D.
-
D1 - Tube O.D.
-
L
-
Wall Thickness
-
H - Hex
-
A


