DK Lok

RWMT-6-L


Customer Support

Real people that care. Give us a call!

310-833-3353

Delivery and Shipping

Fast shipping & delivery.

Local Business

We're a local business, located in San Pedro, CA

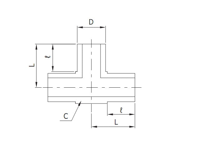
  • Item #
    RWMT-6-L
  • Category
    DK-LOK Clean Fittings
  • Sub-Category
    Clean Weld Fittings
  • Sub-Series
    RWMT Mini Tee
  • Material
    Stainless Steel 316L
  • D - Tube O.D.
    9.5 mm or 3/8 in
  • L
    11.9 mm or 0.470 in
  • l
    6.4 mm or 0.250 in
  • Wall Thickness
    0.9 mm or 0.035 in
  • C
    11.1 mm or 7/16 in
DK Lok

RWMT-6-L

$0.00
View product