DK Lok

DCF-20-16R-C


Customer Support

Real people that care. Give us a call!

310-833-3353

Delivery and Shipping

Fast shipping & delivery.

Local Business

We're a local business, located in San Pedro, CA

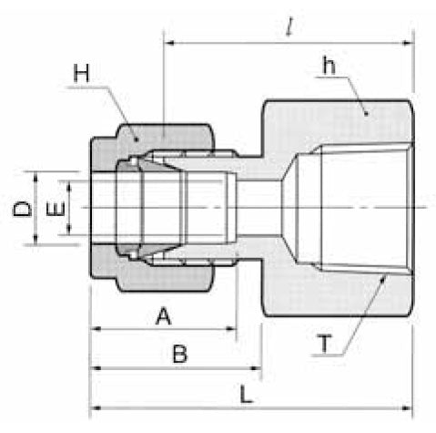
  • Item #
    DCF-20-16R-C
  • Category
    Compression Tube Fittings
  • Sub-Category
    Tube to Female Pipes
  • Series
    DCF-R Female Connector Tube Fittings
  • Sub-Series
    DCF-R Female Connector Tube Fittings
  • Material
    Carbon Steel
  • E - Min.
    27.7 mm
  • H - Width Across Flat
    1-7/8 in or 47.6 mm
  • h - Width Across Flat
    1-3/4 in or 44.5 mm
  • D - Tube O.D.
    1-1/4 in or 31.8 mm
  • L
    74.7 mm
DK Lok

DCF-20-16R-C

$0.00
View product