DK Lok

KC-6T-S


Customer Support

Real people that care. Give us a call!

310-833-3353

Delivery and Shipping

Fast shipping & delivery.

Local Business

We're a local business, located in San Pedro, CA

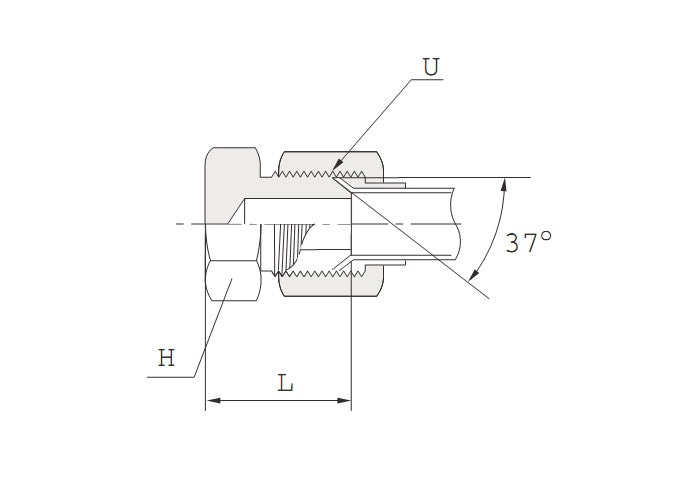
  • Item #
    KC-6T-S
  • Category
    K Series JIC Tube Fittings, SAE J514 37° Flared
  • Series
    Cap and Plug
  • Sub-Series
    KC Cap for Tube End
  • Material
    Stainless Steel 316
  • D - Tube O.D.
    3/8 in or 10.0 mm
  • L
    21.3 mm
  • U UNF
    9/16-18
  • H - Hex
    15.8 mm
DK Lok

KC-6T-S

$0.00
View product