DK Lok

KC-5T-C


Customer Support

Real people that care. Give us a call!

310-833-3353

Delivery and Shipping

Fast shipping & delivery.

Local Business

We're a local business, located in San Pedro, CA

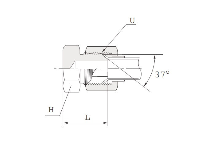
  • Item #
    KC-5T-C
  • Category
    K Series JIC Tube Fittings, SAE J514 37° Flared
  • Series
    Cap and Plug
  • Sub-Series
    KC Cap for Tube End
  • Material
    Carbon Steel
  • D - Tube O.D.
    5/16 in or 8.0 mm
  • L
    20.3 mm
  • U UNF
    1/2-20
  • H - Hex
    14.2 mm
DK Lok

KC-5T-C

$0.00
View product